旋转紧凑模块, 系列 RCM-SH
► 旋转角度: 0 - 180 ° ► Ø12 - 25 mm ► 带磁性活塞 ► 带齿条的双活塞 ► Easy‒2‒Combine-可用 ► 缓冲: 液压, 设置已确定
| 技术备注 | |
| ■ | 压力露点必须至少低于环境和介质温度15 °C,并且允许 的最高温度为 3 °C。 |
| ■ | 压缩空气的油含量必须在整个使用寿命中保持不变。 |
| ■ | 只可使用经过 AVENTICS 公司许可的油,参见 “技术信息”章节中的内容。 |
| 尺寸 | RCM-12 | RCM-16 | RCM-20 | RCM-25 | |||
| 最大允许的轴向轴承负载 | [N] | 330 | 490 | 620 | 1160 | ||
| 最大允许的径向轴承负载 | [N] | 360 | 580 | 780 | 1480 | ||
| 最大允许的质量转动惯量 | [kgcm²] | 10 | 80 | 180 | 450 | ||
| 重复精度 | [°] | 0,05 | 0,05 | 0,05 | 0,05 | ||
| 理论力矩 | [Nm] | 0,95 | 1,7 | 3 | 6,5 | ||
尺寸 | 压缩空气连接尺寸 | 旋转角度 | 摆动时间 最小/最大 | 每次旋转的空气消耗量 | 重量 | 物料号 | |
[°] | [s] | [cm³] | [kg] | ||||
![]() | RCM-12 | M5 | 0 - 90 | 0,3 / -- | 5,86 | 0,46 | R412000369 |
RCM-12 | 0 - 180 | 0,3 / -- | 11,72 | 0,46 | R412000370 | ||
RCM-16 | 0 - 90 | 0,32 / -- | 10,36 | 0,77 | R412000371 | ||
RCM-16 | 0 - 180 | 0,32 / -- | 20,71 | 0,77 | R412000372 | ||
RCM-20 | 0 - 90 | 0,48 / -- | 17,92 | 0,96 | R412000373 | ||
RCM-20 | 0 - 180 | 0,48 / -- | 35,84 | 0,96 | R412000374 | ||
RCM-25 | 0 - 90 | 0,6 / -- | 38,75 | 1,85 | R412000375 | ||
RCM-25 | 0 - 180 | 0,6 / -- | 77,5 | 1,85 | R412000376 |
| 设置范围 末端位置 0° / 90° / 180° |
![]() |
| 运动终端位置 90° / 180° |
![]() |
| 运动终端位置 0° |
![]() |
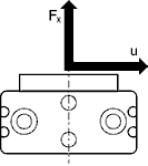
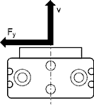
| 最大允许径向力Fy[N]是v的函数时 |
![]() |
| RCM 12 | RCM 16 – 25 |
![]() | ![]() |
| 最大允许轴向力Fx[N]是u的函数时 |
![]() |
| RCM 12 | RCM 16 – 25 |
![]() | ![]() |
| RCM-12/.../-25 | |
![]() | |
| T1 =螺纹深度 | |
尺寸 | B1 | B2 | B3 | Ø D1 | Ø D2 | H1 | H2 | H3 | H4 | H5 | H6 |
RCM-12 | 43 | 18 | 18 | 35 | M5 | 24 | 10,5 | 6 | 2,9 | 2,5 | 18 |
RCM-16 | 52 | 24 | 20 | 40 | M5 | 32 | 10 | 7 | 3,3 | 2,5 | 21 |
RCM-20 | 58 | 30 | 20 | 42 | M5 | 37 | 11 | 7 | 3,3 | 3 | 26 |
RCM-25 | 69 | 34 | 28 | 48 | M5 | 43 | 12 | 8 | 4 | 3 | 29 |
...尺寸 | L1 | L3 | L4 | L5 | L6 | SW1 | SW2 | T1 | W1 | X |
...RCM-12 | 103 | 33,5 | 14 | 40 | 9 | 15 | 11 | 4 | 90° | M8x1 |
...RCM-16 | 108 | 34 | 18 | 40 | 10 | 19 | 13 | 4 | 90° | M10x1 |
...RCM-20 | 114 | 48,5 | 19 | 43 | 9 | 19 | 15 | 4 | 90° | M12x1 |
...RCM-25 | 153 | 60 | 22 | 60,5 | 10 | 23 | 17 | 4 | 90° | M14x1,5 |
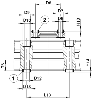
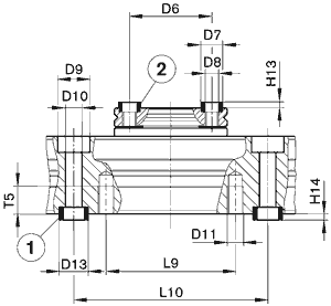
| 固定和安装, RCM-12 | RCM 16 – 25 |
![]() | ![]() |
| 1) 对中套筒, 包含在供货范畴之内 2) 对中套筒 |
尺寸 | Ø D6 ±0,02 | Ø D7 k6 | Ø D8 | Ø D9 | Ø D10 | Ø D11 | Ø D12 | Ø D13 k6 | H13 +0,2 | H14 +0,2 | L9 | L10 ±0,02 | T5 |
RCM-12 | 25 | 7 | M4 | 10 | 5,1 | M5 | – | 9 | 1,6 | 2,1 | 40 | 60 | 8,5 |
RCM-16 | 30 | 7 | M5 | 10 | 5 | – | M6 | 9 | 1,6 | 2,1 | – | 60 | – |
RCM-20 | 30 | 7 | M5 | 11 | 6,8 | – | M8 | 12 | 1,6 | 2,1 | – | 60 | – |
RCM-25 | 35 | 9 | M6 | 11 | 6,8 | – | M8 | 12 | 2,1 | 2,1 | – | 60 | – |
...尺寸 | T6 | |||||||||||
...RCM-12 | – | |||||||||||
...RCM-16 | 11,1 | |||||||||||
...RCM-20 | 15,1 | |||||||||||
...RCM-25 | 15,1 |